Gut zu wissen!

Informationen, die sehr schwer zu finden sind aber sehr nützlich sein können

Relais

Die Kühlung der PS4 funktioniert über eine externe Wasserpunmpe und drei Lüfter, welche die Kühlflüssigkeit wieder runterkühlen. Diese werden über ein externes Netzteil betrieben. Damit der Kühlkreislauf automatisch mit der PS4 startet habe ich ein Relais verwendet.

Es handelt sich hierbei um ein 5 Volt DC (Gleichstrom) Relais. Der Vorteil dieses Ralais ist, dass ich es über den USB-Anschluss der PS4 steuern/schalten kann. Hierbei musste ich nur ein altes USB-Kabel am Relais anschliessen und vor das Netzteil schalten.

Den genauen Schaltplan findest du, indem du auf "Weitere Spezifikationen und Bilder" klickst.

USB-Kabel

Um ein 5 Volt DC Relais zu schaslten kann der Strom eines USB-Anschlusses der PS4 verwendet werden. Hierzu muss der USB-B-Anschluss gekappt und die einzelnen Kabel freigelegt werden.

+ Leiter / Spannung

- Leiter / Masse / GND

negativer Datenkanal

positiver Datenkanal

Benötigt werden nur das Rote und das Schwarze Kabel. Die restlichen können gekappt werden.

Temperatursensor

Wird der bei Aliexpress.com gekaufte Temperatursensor so angeschlossen, wie er geliefert wird, wird er nicht funktionieren. Die Anschlussbelegung ist nicht korrekt und muss angepasst werden.

Die beiden Kabel des Temperatursensors müssen so in dem Anschluss plaziert werden, dass diese paralell zum Gegenstück stehen. Welches schware Kabel auf welchen Leiter plaziert wird, spielt keine Rolle.

+ Leiter / Spannung

- Leiter / Masse / GND

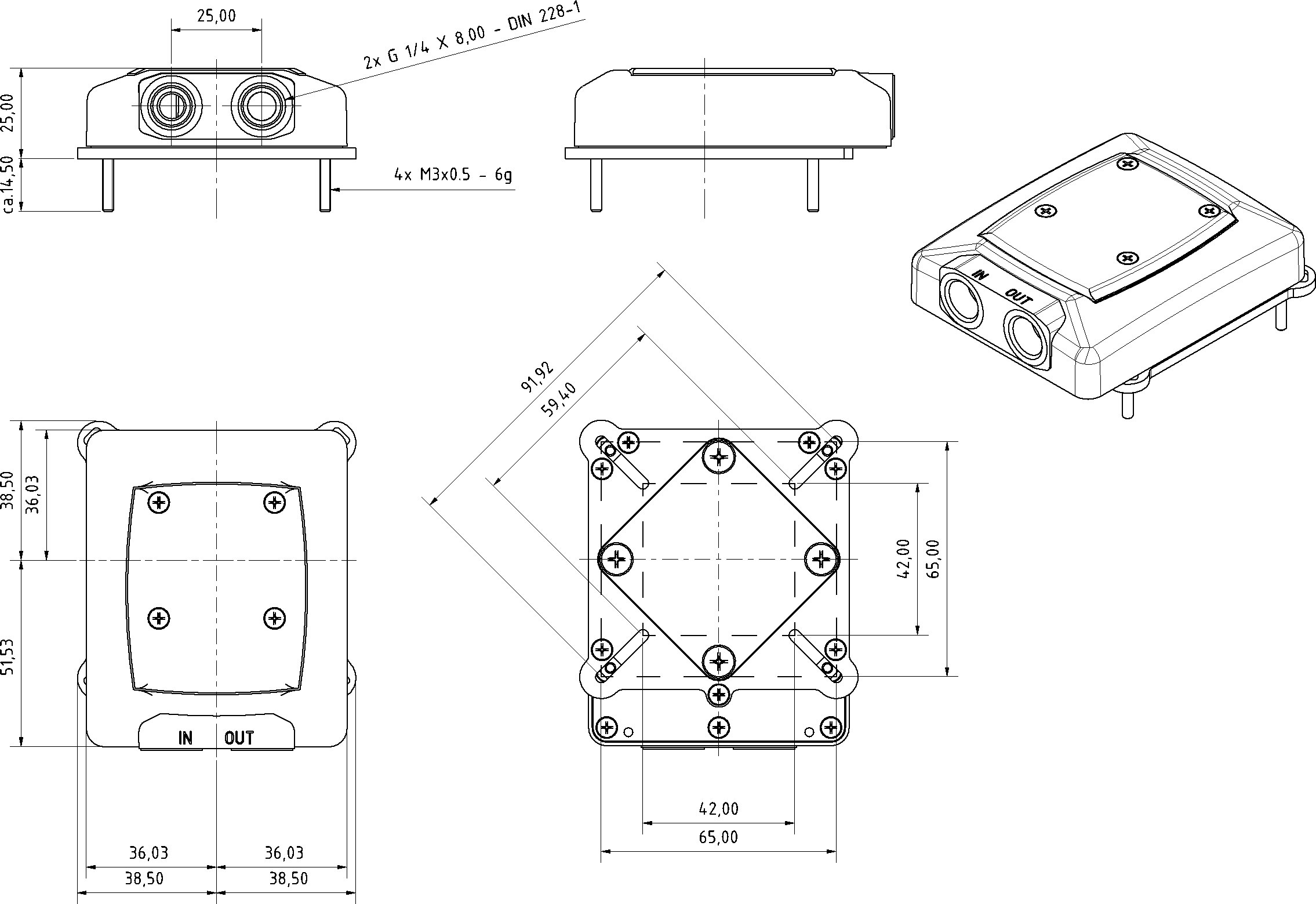
Lochabstand

Diese Information habe ich auch nach langen Recherchen im Internet nirgends gefunden. Wie ist der Lochabstand auf der Hauptplatine für die GPU-Kühlerbefestigung???

Dank dem Foto der Platine von iFixit und dem Wissen, wie breit eine SATA III Schnittstelle ist, konnte ich den Lochabstand mit einer Genauheit von +- 1mm berechnen.

Lochabstand 60mm

Mithilfe dieser Information konnte ich einen entsprechenden GPU-Kühler evaluieren, der den vorgegebenen Lochabstand unterstützt.

Abstand zwischen Lüfter und Netzteil

Eines der grössten Probleme bei diesem Projekt war herauszufinden, welcher GPU-Kühler passt. Da ich die PS4 nicht tagelang offen rumliegen lassen wollte, bis ein entsprechende Kühler bestellt wurde musste ich etwas pokern. Erst nach dem auseinanderschrauben der PS4 konnte ich den Abstand zwischen Standardlüfter und Netzteil messen.

Promt habe ich beim Auseinanderbauen der PS4 gemerkt, dass mein Kühler wegen einer Breite von +- 72mm nicht passen wird.

Abstand zwischen Lüfter und Netzteil +- 67mm

Da ich den Kühler aber schon gekauft und nicht zurückgeben wollte musste ich die PS4 etwas modifizieren und den Standardlüfter austauschen.

Austausch des Standard-Lüfters

Durch die Situation, dass der GPU-Kühler zu breit ist und der Standardlüfter ersetzt werden musste, konnte ich einen leiseren Lüfter verbauen. Dieser musste aber wegen seiner Grösse ausserhalb des Gehäuses angeschraubt werden.

Leider hat Sony einen standard 3-Pin Lüfterstecker verbaut, weshalb ich bei der Verkabelung etwas basteln musste.

Anpassen des Lüfterkabels

Beim gekauften Lüfter gabe es ein ca. 10cm langes Verbindungskabel dazu, welches ich für die Verbindung etwas abändern musste. Hierzu habe ich den Stecker beim Standardlüfter und die Dose beim Verbindungskabel abgeschnitten und für die Lötarbeiten vorbereitet.

Hierbei ist es wichtig die Kabel richtig miteinander zu verlöten!

ROT auf BRAUN

SCHWARZ auf SCHWARZ

WEISS auf GRAU

Datum: November 2019